Interface k potápěčským počítačům Suunto
V roce 2003 jsem nalezl návod na výrobu interface (rozhraní nebo prostě kabel), na propojení PC a potápěčského počítače Suunto Cobra, Vyper, Mosquito, Vytec a D3. Originál USB interface stojí 2 490 Kč, kabel pro sériové rozhraní od té doby zlevnil na 1 190,- Kč. Vlastnoručně vyrobený interface vás bude stát řádově desítky korun. Návod na sériové rozhraní jsem si tenkrát prozřetelně uložil. Z internetu totiž zmizel. Kontaktoval jsem autora, Jaroslava Heraina, a s jeho laskavým svolením zveřejňuji návod (drobně upraven a krácen).
Varování
Níže popsaný obvod byl vyzkoušen jako spolehlivý a bezpečný. Správně postavený obvod nemůže poškodit ani počítač ani PC. Stavba, zkoušení a provoz tohoto je však přesto na vlastní nebezpečí.
Něco o Suunto dive manager
Suunto dive manager (SDM) je program, kvůli kterému si interface pořizujeme. Lze ho získat z www.suunto.com zdarma. Program je určen sice pod Windows, ale běží i pod Linuxem ve Wine (anglicky).
Co je potřeba znát

Základní znalosti a trocha praktických zkušeností s výrobou elektroniky, případně dostatek odvahy a trpělivosti. Nebudu přesně popisovat jak se vyrábí a osazuje plošný spoj, to si jistě případně najdete někde jinde (návod na wikiknihy), nebo vám ho vyrobí a osadí někdo, kdo to umí.

Použité součástky, rozpočet: Je možné použít i součástky ze šuplíku, není potřeba použít přesně uvedené typy (ale hodnoty ano!). Ceny součástek jsou spíše informativní.
| Označení | Typ, hodnota | Charakteristika | Cena zhruba |
|---|---|---|---|
| Q1 | BC546 B | univerzální NPN tranzistor | 1 Kč |
| Q2, Q3 | BC556 B | univerzální PNP tranzistor | 2 x 1Kč |
| D1 | BZX55C4V3 | Zenerova dioda 4,3 V *) | 1Kč |
| D2, D3, D4 | 1N4148 | univerzální dioda | 3 x 1Kč |
| R1 | 10 kΩ | obvyklý typ | 1Kč |
| R2 | 27 kΩ | obvyklý typ | 1Kč |
| R3, R4, R6 | 22 kΩ | obvyklý typ | 3 x 1Kč |
| R5 | 1 kΩ | obvyklý typ | 1Kč |
| kabel | 1 až 2 metry | čtyřžilový, lépe stíněný a měkký - ohebný | 10 Kč /2m |
| konektor | Canon | 9-kolíkový, samice (pro sér. port) s krytem | kolem 30 Kč |
*) Já jsem neměl 4,3V, tak jsem vyzkoušel 3,9V i 5,1V a interface fungoval. Cena součástek celkem: 53 Kč Podle toho kde nakoupíte, to bude od asi 40 do 80 Kč, nejdražší položkou je konektor.
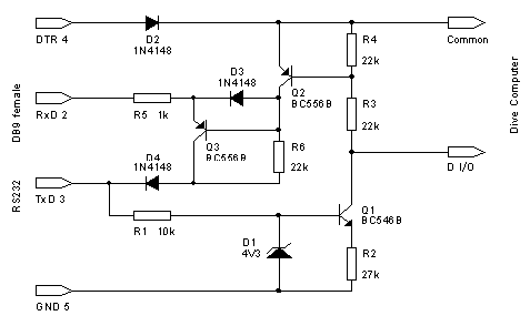
Plošný spoj
Na obrázcích je schéma zapojení, výkres desky a schéma pro osazování (neoznačená dioda vlevo je D2).


Jsou tři možnosti:
1) „vrabční hnízdo“ = pájení součástek za vývody k sobě
+ jednoduchost
- nepřehlednost
- možnost zkratu (může vést až k poškození PC)
2) „drátkování“ = zapíchání součástek do kartónu (silnější čtvrtky) a propojení vývodů drátky
+ není potřeba vyrábět klasický plošňák
- není to ono a kdyby papír dostatečně zvlhnul, přestane to fungovat
3) plošný spoj
+ vzhled
- pracnost (kreslení-leptání-vrtání-pájení)
U mne vítězí plošný spoj. Zde je jednoduchý a malých rozměrů a není ani potřeba velká přesnost, všechny součástky se dají přizpůsobit. Ke kreslení používám zelenou kreslicí kapalinu, tedy správně “leptuvzdorný lak”, ta velmi rychle zasychá. U tenkých čar prakticky ihned, po zaschnutí vydrží i velmi nešetrné leptání roztokem HCl + H2O2. Dále klasicky: omýt lak lihem, natřít spoje kalafunou v lihu (nebo něčím lepším), vyvrtat, osadit, zapájet, šikovný člověk je za 80 minut hotový. Cena maximálně několik desetikorun a trocha práce.
Připojení interface k PC
Použijeme čtyřžilový kabel a konektor typu Canon 9-kolíkový, samici (má zdířky a je to protikus ke konektoru sériového portu PC). Prohlédněte si schéma zapojení, v něm jsou čísla pinů konektoru na které se budou pájet příslušné vodiče. Číslování je obvykle vylisováno přímo na konektoru, tak se jím řiďte! Rozmístění a popis na desce je na schématu pro osazování, na konektoru zapojujeme RXD na č. 2, DTR na č.4 , TXD na č.3 a GND na č.5 konektoru (schéma zapojení!)- vodiče jsou jeden vedle druhého.

Připojení k interface
Na spodní straně počítače je dvojice kontaktů (obr.), přes které probíhá komunikace. Propojení s interfacem “common” počítače s “common” na desce a “D I/O” počítače s “D I/O” na desce, pokud to prohodíte, nic se nestane ani PC ani počítači, ale SDM ohlásí chybu při pokusu o komunikaci.Aby byla bezchybná, je potřeba spolehlivý kontakt správných částí a to je asi největší problém celé výroby. Originál Suunto interface to řeší snad (nevím jistě, neviděl jsem) kontakty z vodivého pružného polymeru. V originální dokumentaci je to dvojice “contact probes” - přeložitelné asi jako “kontaktních sond”, ale ani tohle se mi nezdálo. V řešení tohohle problému je asi největší rozdíl od originálu. Popis by byl složitý, fotky mluví jasně. Kontakty jsou ze staršího konektoru k čemusi. Je to zlacený fosforbronz - pružný a neoxidující. Bohužel to není nijak k sehnání, musíte si poradit a najít nebo vymyslet něco jiného. I já vymýšlím vylepšení, pokud nějaké bude, tak se tady objeví.

Oživení a testování
Jsou dvě možnosti: 1) Máme voltmetr a zdroj: Nejprve třikrát zkontrolujeme vše v obvodu (orientace tranzistorů a diod, hodnoty odporů, zapojení kabelu…) Připojíme vývody inteface označené DTR a TXD na +9V (proti zemi - ozn. GND). Napětí na kontaktech pro počítač “common” a “D I/O” by mělo být kolem 3V proti zemi a napětí na RXD asi 8V proti zemi. Změníme napětí na TXD na -9V proti zemi, napětí na kontaktech pro počítač “common” a “D I/O” by mělo být kolem 0V proti zemi a napětí na RXD asi -8V proti zemi.
2) Nemáme měřicí techniku: Šestkrát zkontrolujeme vše v obvodu (orientace tranzistorů a diod, hodnoty odporů, zapojení kabelu…).
Pak vyzkoušíme rozpoznání interface v SDM: Připojíme interface k volnému COM portu počítače. Pozor na rezidentní ovladače jiných zařízení, port se tváří volný, ale komunikace není možná. Např. v mém případě by to mohl způsobovat ovladač tabletu, který se zavádí při startu Windows a je rezidentní i když je tablet odpojen! Teprve po nastavení v příslušném programu (“…tablet driver ON/OFF”) je port správně funkční. Pokud takové zařízení máte, tak asi víte, jak si sním poradit.
V menu je nabídka TRANSFER, ta obsahuje položku PC INTERFACE SETUP, klikněte na ni. V okně PC INTERFACE SETUP stiskněte tlačítko TEST, zobrazí se varování (máte-li připojen počítač Suunto, odpojte ho!), po odkliknutí proběhne test, a je-li úspěšný, zobrazí se hláška: “The Suunto PC Interface was found on COM_ (číslo portu) Do you want to use this port? Po odkliknutí YES a OK je SDM úspěšně nastaven pro použití interface. Řešení některých problémů s nefunkčností je popsáno v orig. dokumentaci, ale to asi nebudete potřebovat. Obvod funguje obvykle na první zapojení. Pokud ne a nevíte si rady, tak se mi ozvěte.
Gratuluji, máte hotovo a výrobek funguje. Užijte si, že se můžete kochat barevnými grafy ponorů a dokonalou statistikou každého ponoru. Myslím, že to stálo za vynaloženou námahu a trochu peněz.
Můj interface je vestavěn v upravené plastové krabičce od hodinek. Ke dnu jsou přilepeny “nožičky” z rozpůlené novodurové trubky a je tady připevněna i destička s plošným spojem. Na horní část se dá položit připojený počítač.

